Mastering Kirchhoff's Circuit Laws: A Simple Guide

V.Redandblue 109 views
Mastering Kirchhoff's Circuit Laws: A Simple Guide

Mastering Kirchhoff’s Circuit Laws: A Simple Guide

Hey everyone! Today, we’re diving deep into something super fundamental for anyone messing around with electronics, circuits, or even just trying to understand how your gadgets work: Kirchhoff’s circuit laws . You might have heard of them, maybe seen them in a textbook and thought, “Whoa, that looks complicated!” But trust me, guys, once you break it down, it’s actually pretty straightforward and incredibly useful. We’re going to tackle the Kirchhoff’s circuit laws in a way that makes sense, so you can actually use them to solve real-world circuit problems. So grab your favorite beverage, get comfy, and let’s unravel the magic behind these two powerful laws.

Understanding Kirchhoff’s Current Law (KCL)

First up, let’s talk about Kirchhoff’s Current Law , often shortened to KCL. This law is all about charge conservation, which basically means that electricity doesn’t just disappear into thin air, nor does it appear out of nowhere. Think of it like water flowing through pipes. If you have a junction where multiple pipes meet, the amount of water that flows into the junction must equal the amount of water that flows out of it. That’s precisely what KCL says about electric current! In more technical terms, Kirchhoff’s Current Law states that the algebraic sum of currents entering a node (or junction) in an electric circuit is equal to the algebraic sum of currents leaving that node. It’s a super simple concept when you visualize it this way. We often represent this with an equation: \(\sum I_{in} = \sum I_{out}\) . When you’re applying KCL, you typically pick a node and then assign directions to the currents. If you assume a current is flowing into the node and it actually is flowing into the node, it’s positive. If you assume it’s flowing out and it is flowing out, it’s positive. If your assumed direction is wrong, the math will sort itself out – you’ll just get a negative value, which tells you the current is actually flowing in the opposite direction you initially guessed. This law is incredibly powerful for analyzing circuits with multiple paths for current to flow. It forms the bedrock for understanding how current distributes itself when it encounters branches. Without KCL, figuring out the current through different parts of a complex circuit would be a nightmare. It’s the first step in our journey to becoming circuit analysis wizards, and it’s fundamental to understanding the flow of electrons. The beauty of KCL lies in its simplicity and its direct connection to a fundamental physical principle: the conservation of charge. Imagine a bustling intersection for cars; all the cars that enter the intersection must eventually leave it, assuming no cars are created or destroyed within the intersection itself. Similarly, for an electrical node, any charge carriers (like electrons) that arrive at the node must depart from it. This principle holds true regardless of the complexity of the circuit or the components involved. When you’re first learning this, it’s a good idea to draw out your circuits and label all the nodes and potential current paths. Assigning arbitrary directions to the currents is perfectly fine. The mathematical outcome will reveal the true direction. For instance, if you have three wires meeting at a point and you label the currents \(I_1\) , \(I_2\) , and \(I_3\) flowing into the node, KCL would dictate that \(I_1 + I_2 + I_3 = 0\) (if you consider all currents entering as positive and all leaving as negative). Or, as we stated earlier, the sum of incoming currents equals the sum of outgoing currents. This simple equation allows us to relate unknown currents to known ones, paving the way for solving systems of equations that describe the entire circuit’s behavior. It’s the first piece of the puzzle, and understanding it thoroughly will make the next step, Kirchhoff’s Voltage Law, much easier to grasp.

Delving into Kirchhoff’s Voltage Law (KVL)

Now, let’s switch gears and talk about Kirchhoff’s Voltage Law , or KVL. While KCL deals with the flow of charge (current), KVL deals with the energy of those charges, specifically the voltage. Think of voltage as the electrical pressure or potential difference that pushes the current along. KVL is rooted in the principle of energy conservation. It states that the algebraic sum of all the voltages around any closed loop in a circuit must be zero. What does that mean in practical terms? Imagine you’re walking around a circular path, starting and ending at the same spot. If you go uphill, you gain potential energy, and if you go downhill, you lose potential energy. By the time you get back to where you started, your total change in potential energy must be zero. KVL is the electrical equivalent of this. As you traverse a closed loop in a circuit, you’ll encounter voltage rises (like from a battery or power supply) and voltage drops (across resistors or other components). Kirchhoff’s Voltage Law ensures that all these rises and drops must cancel each other out over the entire loop. The equation for KVL is typically written as \(\sum V = 0\) . When applying KVL, you choose a closed loop and then trace it, assigning polarities to voltage drops and rises. Conventionally, if you move across a component in the same direction as the assumed current, it’s a voltage drop (negative). If you move against the current, it’s a voltage rise (positive). For voltage sources, moving from the negative terminal to the positive terminal is a voltage rise (positive), and vice versa. Just like with KCL, if your assumed current directions are wrong, the math will correct you with negative signs. KVL is crucial for analyzing voltage distributions within circuits. It helps us understand how the total voltage supplied by a source is distributed among the various components in a series path. It’s the perfect complement to KCL, giving us a complete picture of circuit behavior. For instance, in a simple series circuit with a battery and a few resistors, KVL tells us that the battery’s voltage is equal to the sum of the voltage drops across each resistor. This understanding is fundamental for designing circuits that operate at specific voltage levels or for troubleshooting voltage-related issues. The concept of a closed loop is key here. You can pick any closed path within a circuit diagram – it doesn’t have to be the outer perimeter. You could trace a path through a few components and back to your starting point. The law holds true for every single possible loop. This law is an elegant expression of the fact that electric potential is a conservative property. This means the work done by the electric field in moving a charge between two points is independent of the path taken. Consequently, when a charge is moved around a complete circuit loop, returning to its starting potential, the net work done by the field on the charge is zero. Therefore, the net voltage change around the loop must also be zero. It’s this conservation principle that makes KVL such a powerful analytical tool. It allows us to set up equations that relate the voltages across different components, which, when combined with KCL equations, can help us solve for all unknown currents and voltages in a complex network. The practical application of KVL is immense, from calculating the power dissipation in resistors to ensuring that components are not subjected to excessive voltages that could damage them.

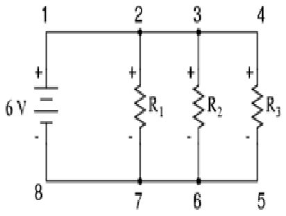
Applying Kirchhoff’s Laws: Step-by-Step

Alright guys, now that we’ve got the basics of Kirchhoff’s circuit laws down, let’s walk through how you actually use them to solve a circuit. It’s a systematic process, and with a bit of practice, you’ll be a pro in no time! The first step, as we touched upon, is to draw your circuit diagram clearly . Make sure all components and connections are visible. The next crucial step is to identify all the nodes and loops in your circuit. Nodes are points where three or more wires connect, and loops are any closed paths. Once you’ve identified these, you need to assign current directions to each branch. Don’t stress if you guess wrong; the math will tell you the real direction. It’s also a good idea to assign polarities to voltage drops across resistors, usually aligning with your assumed current direction (current enters the positive side and leaves the negative side). Now for the core of the analysis: write down your KCL equations . For every node (minus one, because one node’s equation will be redundant), write an equation based on the sum of currents entering equaling the sum of currents leaving. Then, write down your KVL equations . For every independent loop in the circuit, trace the loop and write an equation summing all the voltage rises and drops to zero. You’ll typically need as many equations as you have unknown currents or voltages. The final, and sometimes most challenging, step is to solve the system of equations . This might involve substitution or elimination methods, depending on how the equations are set up. Don’t be afraid to use a calculator or software for this part if the numbers get messy! Let’s say you have a circuit with two loops. You’d write one KCL equation for a node (if applicable) and then two KVL equations, one for each loop. This gives you three equations to solve for your unknown currents. Remember, the beauty of Kirchhoff’s circuit laws is that they provide a universal method for analyzing any electrical network, no matter how complex. They are the foundation upon which more advanced circuit analysis techniques are built. The key is careful observation, systematic application, and a willingness to work through the algebra. It might seem daunting at first, but visualizing the flow of charge and energy, as we’ve discussed, can make the process much more intuitive. Think of it as solving a puzzle where each piece (equation) reveals more about the overall picture of the circuit’s behavior. Practicing with different circuit examples is absolutely essential. Start with simple circuits and gradually move to more complex ones. Online simulators and circuit analysis software can be invaluable tools for verifying your manual calculations and for experimenting with different circuit configurations. This hands-on approach, combined with a solid understanding of KCL and KVL, will build your confidence and proficiency. Moreover, mastering these laws opens doors to understanding many other electrical concepts, such as mesh analysis and nodal analysis, which are essentially structured ways of applying Kirchhoff’s laws to solve circuits more efficiently.

Real-World Applications of Kirchhoff’s Laws

So, why should you even care about Kirchhoff’s circuit laws ? Well, these aren’t just abstract theories; they have a massive impact on the real world! Every electronic device you use, from your smartphone charger to a complex medical imaging machine, relies on the principles of Kirchhoff’s laws for its design and operation. Engineers use Kirchhoff’s circuit laws constantly to analyze and design circuits. For example, when designing a power supply, they need to ensure that the voltage and current levels are correct and safe for the connected devices. KCL helps them figure out how current will split among different pathways, preventing overload in certain branches. KVL is essential for ensuring that the voltage drops across components are within their specified limits and that the total voltage delivered is what’s intended. Think about your car’s electrical system – it’s a maze of wires and components. Understanding KCL and KVL is how technicians diagnose problems like a short circuit or a blown fuse. If a fuse blows, it’s often because too much current (violating KCL’s balance) is flowing through it. If a component isn’t receiving the right voltage, KVL helps trace where the voltage drop is occurring incorrectly. In telecommunications, analyzing signal integrity in complex circuit boards often involves intricate applications of Kirchhoff’s laws to predict how signals will propagate and interact. Even in simpler applications, like designing a basic LED circuit, you use these laws implicitly to select the correct resistor to limit the current and prevent the LED from burning out. Kirchhoff’s circuit laws are the invisible foundation of modern electrical engineering and electronics. They empower us to build, understand, and repair the technologies that shape our daily lives. So, the next time you plug something in, remember the elegant physics at play, governed by these two fundamental laws. They are truly the unsung heroes of the electronic age, ensuring that everything from tiny microchips to massive power grids operates reliably and efficiently. The ability to predict current flow and voltage distribution is paramount in preventing system failures, optimizing performance, and ensuring the safety of both users and equipment. In essence, Kirchhoff’s laws provide the mathematical framework for understanding the behavior of electrical networks, making them indispensable tools for innovation and problem-solving in countless fields. The widespread adoption of these laws across various engineering disciplines highlights their universality and enduring significance in the pursuit of technological advancement. They are a testament to the power of fundamental physics principles when applied to practical challenges, allowing us to harness electricity safely and effectively for the betterment of society.

Conclusion: Your Circuit Analysis Journey Starts Here!

So there you have it, guys! We’ve journeyed through Kirchhoff’s circuit laws , tackling both the Current Law (KCL) and the Voltage Law (KVL). We’ve seen how they’re based on fundamental principles like charge and energy conservation, and we’ve even walked through the steps to apply them. Remember, KCL is all about the flow at junctions ( \(\sum I_{in} = \sum I_{out}\) ), and KVL is about the potential changes around loops ( \(\sum V = 0\) ). These two laws are the absolute cornerstone of circuit analysis. Whether you’re a student hitting the books, a hobbyist tinkering with projects, or a professional engineer designing the next big thing, understanding Kirchhoff’s circuit laws is non-negotiable. Don’t be intimidated if it takes a little time and practice. Sketch out circuits, work through examples, and soon enough, you’ll be seeing current and voltage in a whole new light. Keep exploring, keep experimenting, and happy circuit analyzing! The journey into electronics is a continuous learning process, and mastering these fundamental laws is a significant milestone. Embrace the challenges, celebrate the successes, and never stop asking