Switching Power Supply Diagram: A Complete Guide

V.Redandblue 111 views
Switching Power Supply Diagram: A Complete Guide

Switching Power Supply Diagram: A Complete Guide

Hey guys! Ever wondered how your electronic devices get their juice? It all boils down to the magic of switching power supplies! These little marvels efficiently convert AC voltage from your wall outlet into the DC voltage that your gadgets need to operate. Central to understanding how these power supplies work is the switching power supply diagram . It’s like the blueprint that reveals the inner workings of the entire system. Let’s dive deep into the world of switching power supply diagrams and uncover their secrets!

Understanding the Basics of Switching Power Supplies

Before we jump into the diagrams, let’s get a handle on what switching power supplies actually do. Unlike linear power supplies, which waste a lot of energy as heat, switching power supplies use clever techniques to minimize energy loss. They achieve this by rapidly switching a transistor on and off, thereby controlling the flow of energy to the output. This switching action allows for much higher efficiency and smaller size, making them ideal for modern electronic devices. The key components typically include an input rectifier, a switching transistor, a transformer, an output rectifier, and a control circuit. The control circuit monitors the output voltage and adjusts the switching frequency or duty cycle to maintain a stable output voltage, even when the input voltage or load current changes. So, remember, it is crucial to comprehend how each component works and interacts with each other to design, troubleshoot, and repair such power supplies. Understanding these basics is essential for interpreting and utilizing switching power supply diagrams effectively.

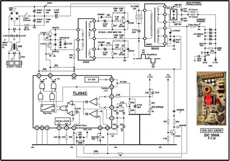
Decoding the Switching Power Supply Diagram

The switching power supply diagram is your roadmap to understanding how these power supplies function. It visually represents all the components and their interconnections, illustrating the flow of current and signals within the circuit. A typical diagram includes various symbols representing different components such as resistors, capacitors, inductors, diodes, transistors, and integrated circuits (ICs). Each component symbol is labeled with its value and reference designator, which helps in identifying and locating the component on the actual circuit board. The diagram also shows the voltage and current levels at different points in the circuit, providing valuable insights into the circuit’s operation. Moreover, understanding the symbols and conventions used in the diagram is crucial for accurate interpretation. For instance, different types of transistors (e.g., MOSFETs, BJTs) have distinct symbols. Similarly, the polarity of diodes and electrolytic capacitors is clearly indicated to prevent misinterpretation. Therefore, taking the time to learn and familiarize yourself with these symbols will greatly enhance your ability to read and understand switching power supply diagrams.

Key Components Illustrated in the Diagram

Let’s break down some of the key components you’ll find in a switching power supply diagram : First off is the Input Rectifier: This converts the AC input voltage into DC voltage. It usually consists of a bridge rectifier made up of four diodes. Then you have the Switching Transistor: This is the heart of the switching power supply, rapidly turning on and off to chop the DC voltage. It’s often a MOSFET or BJT. Next is the Transformer: Provides isolation and steps up or steps down the voltage as needed. It’s crucial for safety and voltage matching. After that you will find the Output Rectifier and Filter: Converts the high-frequency AC voltage from the transformer back into DC voltage and filters out any remaining ripple. Usually consists of diodes and capacitors. Last but not least is the Control Circuit: This monitors the output voltage and adjusts the switching frequency or duty cycle to maintain a stable output. It’s the brain of the operation. Knowing these components and their roles is essential for understanding how the entire power supply works. By understanding the function of each component, you can trace the flow of current and signals through the circuit, allowing you to analyze its behavior and identify potential issues. This knowledge is invaluable for troubleshooting and repairing switching power supplies.

Types of Switching Power Supply Topologies and Their Diagrams

Switching power supplies come in various topologies, each with its own advantages and applications. The most common topologies include: Buck Converter: Steps down the voltage efficiently. Its diagram shows a simple configuration with a switching transistor, inductor, diode, and capacitor. It is commonly used in applications where a lower voltage is required, such as powering microcontrollers or LEDs. Another is the Boost Converter: Steps up the voltage efficiently. Its diagram shows a similar configuration to the buck converter but with the inductor and switching transistor arranged differently. It is often used in applications such as battery chargers and LED drivers. Third on the list is the Flyback Converter: Provides isolation and can step up or step down the voltage. Its diagram includes a transformer with multiple windings. It is commonly used in applications where isolation is required, such as in AC-DC adapters. And last but not least is the Forward Converter: Another isolated topology that is more efficient than the flyback converter at higher power levels. Its diagram includes a transformer and an output inductor. It is used in applications such as computer power supplies. Each topology has a unique diagram that reflects its specific arrangement of components. Understanding these different topologies and their corresponding diagrams is crucial for selecting the right power supply for a particular application and for troubleshooting any issues that may arise. Familiarizing yourself with these diagrams will enable you to quickly identify the topology being used and understand its operational characteristics.

Reading and Interpreting Component Values on the Diagram

A switching power supply diagram isn’t just about connections; it also tells you the values of each component. Resistors are labeled with their resistance in ohms (Ω), capacitors with their capacitance in farads (F), and inductors with their inductance in henries (H). The diagram also indicates the voltage and current ratings of components such as diodes and transistors. These values are crucial for understanding the circuit’s behavior and for selecting appropriate replacement components during repairs. For example, a resistor labeled “1kΩ” has a resistance of 1000 ohms, while a capacitor labeled “100µF” has a capacitance of 100 microfarads. Similarly, a diode labeled “1N4007” indicates a specific type of diode with a voltage rating of 1000V and a current rating of 1A. Additionally, the diagram often includes tolerance values for resistors and capacitors, indicating the acceptable range of variation in their actual values. Understanding these values and ratings is essential for diagnosing problems in the power supply and for ensuring that any replacement components meet the required specifications. Ignoring these values can lead to improper circuit operation or even component failure. Therefore, pay close attention to the component values and ratings when reading and interpreting switching power supply diagrams.

Tracing Current Flow and Signal Paths

The diagram allows you to trace the flow of current and signals through the power supply. By following the lines connecting the components, you can visualize how the energy flows from the input to the output. This is invaluable for understanding how the circuit works and for identifying potential fault locations. When tracing the current flow, remember that current flows from the positive terminal to the negative terminal. In a switching power supply, the current path is constantly changing as the switching transistor turns on and off. By following the current path during both the on and off states, you can understand how the inductor and capacitor store and release energy, thereby regulating the output voltage. Additionally, tracing the signal paths allows you to understand how the control circuit monitors the output voltage and adjusts the switching frequency or duty cycle. By following the signal path from the output voltage sensor to the control IC and then to the switching transistor, you can understand how the feedback loop works to maintain a stable output voltage. This understanding is crucial for troubleshooting issues related to voltage regulation or stability. Therefore, take the time to carefully trace the current flow and signal paths on the diagram to gain a deeper understanding of the power supply’s operation.

Common Faults and Troubleshooting Using the Diagram

The switching power supply diagram is your best friend when troubleshooting. By comparing the actual circuit with the diagram, you can identify any discrepancies, such as missing components, broken connections, or short circuits. The diagram also helps you to isolate the faulty section of the power supply by tracing the current flow and signal paths. Some common faults include: Failed Switching Transistor: This can cause the power supply to stop working completely. Check the transistor with a multimeter. Another fault is the Shorted Diode or Capacitor: This can cause excessive current draw and damage other components. Use a multimeter to check for shorts. And last on the list is the Open Resistor: This can disrupt the feedback loop and cause the output voltage to be unstable. Use a multimeter to check the resistance. By using the diagram in conjunction with a multimeter and an oscilloscope, you can systematically diagnose and repair most switching power supply problems. Start by visually inspecting the circuit board for any obvious signs of damage, such as burnt components or broken connections. Then, use the diagram to identify the key test points and measure the voltage and current at those points. Compare your measurements with the expected values based on the diagram. If you find any discrepancies, trace the current flow and signal paths to identify the faulty component. Remember to always disconnect the power supply from the mains before working on it and to take appropriate safety precautions to avoid electric shock.

Tips for Effective Diagram Usage

To get the most out of a switching power supply diagram , here are a few tips: Always use a high-quality, clear diagram. A blurry or incomplete diagram can be more confusing than helpful. Make sure you understand the symbols and conventions used in the diagram. Familiarize yourself with the symbols for different components and the conventions for indicating voltage and current levels. Trace the current flow and signal paths to understand how the circuit works. Use different colored pens or highlighters to mark the paths as you trace them. Use a multimeter and an oscilloscope to take measurements and compare them with the expected values based on the diagram. This will help you to identify any discrepancies and isolate the faulty components. Take your time and be patient. Troubleshooting switching power supplies can be challenging, but with careful analysis and systematic testing, you can usually find the problem. Remember to always disconnect the power supply from the mains before working on it and to take appropriate safety precautions to avoid electric shock. By following these tips, you can effectively use switching power supply diagrams to understand, troubleshoot, and repair these complex circuits.

Conclusion

So there you have it! Switching power supply diagrams are essential tools for understanding, troubleshooting, and repairing these ubiquitous devices. By learning to read and interpret these diagrams, you can unlock the secrets of switching power supplies and gain a deeper appreciation for the technology that powers our modern world. Keep practicing and experimenting, and you’ll become a pro in no time! Happy tinkering, guys!