Yamaha R7 1999 Carburetor Guide

V.Redandblue 23 views
Yamaha R7 1999 Carburetor Guide

Yamaha R7 1999 Carburetor: A Deep Dive for Enthusiasts

What’s up, fellow riders! Today, we’re going to talk about a legendary machine, the 1999 Yamaha R7 . This bike is a real icon, a homologation special built for the Superbike World Championship, and it’s got a carburetor system that’s as unique as the bike itself. If you’re lucky enough to own one of these beauties or are just fascinated by vintage racing superbikes, understanding its carburetor setup is key. We’re talking about the Yamaha R7 1999 carburetor here, guys, and it’s a critical component for unleashing this beast’s full potential. So, grab your tools, get comfortable, and let’s get into the nitty-gritty of what makes this R7’s fuel delivery system tick. We’ll cover everything from basic maintenance to potential tuning tips, ensuring your R7 runs as sweet as it looks. This isn’t just about keeping your bike running; it’s about preserving a piece of motorcycle history and ensuring that classic R7 performance is at your fingertips. So, whether you’re a seasoned mechanic or just a curious rider, this guide is for you. We’ll break down the complexities of the R7’s carburetors, making them accessible and understandable for everyone. Get ready to boost your knowledge and maybe even your bike’s performance!

Understanding the Yamaha R7 1999 Carburetor System

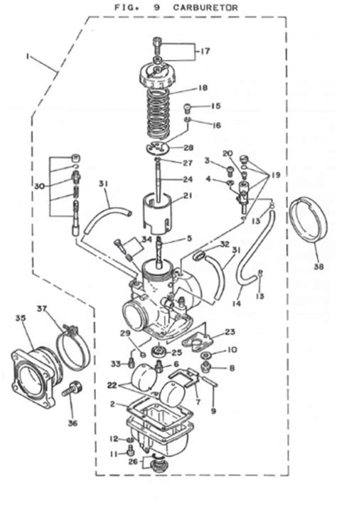
The 1999 Yamaha R7 carburetor setup is a bit of a marvel, reflecting the racing pedigree of this exceptional motorcycle. Unlike many contemporary sportbikes that were transitioning to fuel injection, the R7 stuck with carburetors, specifically a bank of four Mikuni flat-slide carbs. These weren’t just any carbs; they were high-performance units designed to deliver precise fuel metering across the rev range. The specific model is usually the Mikuni BST40, though variations might exist depending on the exact market. These carbs are crucial because they directly influence how the engine breathes and performs. A well-tuned carburetor is the heart of a carbureted engine’s performance, ensuring the right air-fuel mixture gets into the combustion chamber at the right time. For the R7, this means crisp throttle response, strong mid-range pull, and that exhilarating top-end rush that racing bikes are famous for. The flat-slide design offers a more direct slide-to-throttle cable ratio compared to CV (Constant Velocity) carbs, leading to sharper throttle response. This is essential for a bike like the R7, where precise throttle control can make the difference between a winning lap and a costly mistake. We’re talking about a bike built for the track, so every component, especially the Yamaha R7 1999 carburetor , was selected for optimal performance under demanding conditions. The complexity arises from managing four individual carburetors, ensuring they are perfectly synchronized and jetted for the engine’s specific needs. This is where the real art of carburetion comes into play. Getting this system dialed in requires patience, a good understanding of engine dynamics, and the right tools. The choice of carburetors also speaks volumes about Yamaha’s commitment to authenticity and performance for the R7. While fuel injection offers advantages in emissions and fuel economy, carburetors, when properly set up, provide a raw, mechanical connection between the rider and the engine that many enthusiasts still crave. The R7 embodies this, offering a pure, unadulterated riding experience that starts with its meticulously engineered fuel delivery system. So, when you look at the Yamaha R7 1999 carburetor , remember it’s not just a fuel mixer; it’s a high-performance component central to the bike’s legendary status.

Maintenance and Cleaning for Optimal Performance

Alright guys, let’s talk about keeping your Yamaha R7 1999 carburetor in tip-top shape. Just like any high-performance machine, regular maintenance is non-negotiable if you want to keep that R7 singing. The first thing on the agenda is cleaning. Over time, fuel deposits, dirt, and moisture can gum up the works, leading to poor running, hesitation, and a general lack of power. A clean carburetor is a happy carburetor, and a happy carburetor means a happy R7! The process typically involves removing the carburetors from the bike – this is often the most time-consuming part, involving disconnecting fuel lines, throttle cables, and vacuum lines. Once they’re out, you’ll want to carefully disassemble them. Pay close attention to the float bowls, jets (main and pilot), needles, and slides. Use a quality carburetor cleaner spray and compressed air to blast away any gunk. Crucially, do not use harsh wire brushes or abrasive materials inside the carb body or on the delicate jet orifices, as this can permanently damage them. For stubborn blockages, you might need to soak parts in a dedicated carburetor cleaning solution. Reassembly requires careful attention to detail and a service manual is your best friend here. Don’t forget to check the rubber O-rings and seals; if they’re cracked or brittle, they need replacing to prevent vacuum leaks. Another vital maintenance task is synchronization . Because the R7 has four individual carburetors, they need to be perfectly synchronized so that each cylinder receives the same amount of fuel-air mixture. This ensures smooth running, balanced power delivery, and prevents undue stress on the engine. You’ll need a set of carburetor sync tools (like a manometer or vacuum gauges) for this. Adjusting the idle speed screws and linkage between the carbs will bring them into harmony. Properly synchronized carbs are a game-changer for how the R7 feels and performs. Finally, check your fuel lines and filters. A clogged fuel filter can starve the carbs, and old, brittle fuel lines are a safety hazard. Replacing these as part of your routine maintenance schedule is a smart move. Remember, the Yamaha R7 1999 carburetor is a sophisticated piece of equipment. Treat it with care, perform regular cleaning and synchronization, and it will reward you with the exhilarating performance this iconic bike deserves. Think of it as giving your R7 a spa day – it’ll come out feeling refreshed and ready to rock!

Tuning Your Yamaha R7 1999 Carburetor

Now, let’s get into the exciting part, guys: tuning! If you’ve got a Yamaha R7 1999 carburetor and you’re looking to squeeze every last drop of performance out of it, tuning is where it’s at. This is where you can really make the bike your own, adapting it to your riding style, modifications, or even the altitude you ride at. The primary tuning aspects involve adjusting the jetting (main jets, pilot jets, and needle height) and sometimes the air screws. Proper jetting ensures the optimal air-fuel ratio across the entire throttle range. If your bike is running lean (too much air, not enough fuel), you might experience hesitation, popping on deceleration, and overheating. If it’s running rich (too much fuel, not enough air), you’ll get sluggish performance, fouled spark plugs, and poor fuel economy. The goal is to find that sweet spot for maximum power and smooth running. You’ll typically start by considering any modifications you’ve made. For example, if you’ve installed a performance exhaust or a high-flow air filter, you’ll likely need to go up in jet size or adjust the needle clip position to compensate for the increased airflow. Changing the main jets primarily affects the upper third of the throttle range, while the pilot jets influence the lower end. The needle’s taper and clip position affect the mid-range. It’s a bit of a balancing act, and often requires trial and error. Using a dynamometer (dyno) is the most accurate way to fine-tune your carburetors. A dyno allows you to measure horsepower and torque output at different throttle positions and RPMs while making adjustments. This scientific approach takes the guesswork out of jetting. Without a dyno, you’ll rely on